SK2-EM/MF * Controler de acces multi-functional cu tastatura si cartele de proximitate EM 125KHz si MF 13.56MHz

Altii
155,86 Lei
Controler de acces multi-functional cu tastatura si cartele de proximitate EM 125KHz si MF 13.56MHz
In stoc furnizor/producator

Durata de livrare: 1

Limita stoc
Adauga in cos
Cod Produs: C287 Ai nevoie de ajutor? 0723.155.642
La achizitionarea acestui produs primiti 1 punct de fidelitate
Adauga la Favorite Cere informatii
  • Descriere
  • Caracteristici
  • Review-uri (0)
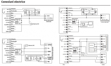
SK2-EM(V2) este un controler de access ce functioneaza cu cartele de proximitate EM 125kHz/ MIFARE 13.56MHz si cod numeric PIN, avand o capacitate de pana la 1000 de utilizatori (987 utilizatori comuni, 1 utilizator Master, 2 utilizatori “panica” si 10 vizitatori).
In cazul in care se securizeaza mai multe usi, controlerele se pot conecta intre ele prin interfata Wiegand si transfera utilizatorii de la o unitate definita ca Master catre toate celelalte unitati Slave, usurand procedeul de adaugare a utilizatorilor.
Se pot conecta pana la 10 unitati Slave in acest mod.
Accesul se poate face in mod card, PIN, card sau PIN, card + PIN, multi card/PIN.
Are facilitati suplimentare cum ar fi inrolare in bloc, interconditionare, interfata Wiegand IN/OUT 26~44biti.
Programarea se face usor si rapid cu ajutorul tastelor sau a cardului Master Add si Master Delete incluse in pachet.
Vezi mai mult Informatii conformitate produs

Tip produs: Controler de acces stand-alone

CP: Tastatura, Cititor RFID

Mod identificare1: Card RFID, PIN, Card+PIN, Card sau PIN, Multi card/PIN

Comunicatie periferice: Wiegand IN/OUT 26~44 biti

Capacitate utilizatori: 987 utilizatori comuni, 1 utilizator Master, 2 utilizatori “panica” si 10 vizitatori

Lungime cod: 4-6 digiti

Carduri/tag-uri compatibile: EM 125KHz, MF 13.56MHz

Distanta de citire: 2-6cm

Alte caracteristici:

Alte caracteristici1: Inrolare carduri in bloc

Comanda yala: Deschidere usa temporizata (1~99sec.) sau bistabil

Curent max. yala: 2A

Conexiuni:: Iesire releu, Buton iesire, Alarma, Senzor stare usa

Tip releu: NO-COM-NC

Protectie: Buzzer / tamper optic

Software:

Programare: Tastatura, Card MASTER

Alimentare: 12-24Vcc

Material: ABS

Temperatura de functionare: -40°C ~ 60°C

Umiditate: 0 ~ 90%, fara condensare

Dimensiuni: 122(H) x 50(l) x 21(A)mm

Mediu: interior / exterior (cu protectie suplimentara)

Protectie intemperii: IP66

Montare: Aplicat(a)

Consum: <35mA

LED stare: DA

Modalități autentificare combinate: DA

Diverse:

Daca doresti sa iti exprimi parerea despre acest produs poti adauga un review.

Review-ul a fost trimis cu succes.

Compara produse

Trebuie sa mai adaugi cel putin un produs pentru a compara produse.

A fost adaugat la favorite!

A fost sters din favorite!